
Hình ảnh thực tế


ĐẶT MUA
(Đến s.thị mua hoặc giao hàng tận nơi)
Xem thêm thông số kỹ thuật ›
Đặt mua qua điện thoại: 0936.000.111 (Hồ Chí Minh) - 0904.743.638 (Hà Nội).
Loadcell HBM ELC
Đang xem

HBM
Loadcell HBM ELC
Ngoại quan trang nhã
Làm bằng vật liệu gang đúc
Bàn cân làm bằng inox
Màn hình LCD lớn
Đèn nền sáng dễ đọc
Sản phẩm tương tự
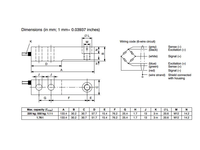
Thông số kỹ thuật
Model |
ELC |
Tải trọng |
220kg, 550kg, 1,1t, 1,76t |
Cấp chính xác |
C3 |
Điện trở |
1.9400mV/ V |
Trở kháng ngỏ ra |
350 ± 2 Ω |
Trở kháng ngỏ vào |
350 ± 2 Ω |
Quá tải an toàn |
150% |
Vật liệu cấu tạo |
inox, chống nước, chống ẩm |
Nhiệt độ hoạt động |
-10 °C to 40 °C |
Chiều dài dây tín hiệu |
3 m , 6 dây |
Tiêu chuẩn |
OIML R60, NTEP, IP67, IP68, IP69 |
Hình ảnh thực tế



