
Hình ảnh thực tế


ĐẶT MUA
(Đến s.thị mua hoặc giao hàng tận nơi)
Xem thêm thông số kỹ thuật ›
Đặt mua qua điện thoại: 0936.000.111 (Hồ Chí Minh) - 0904.743.638 (Hà Nội).
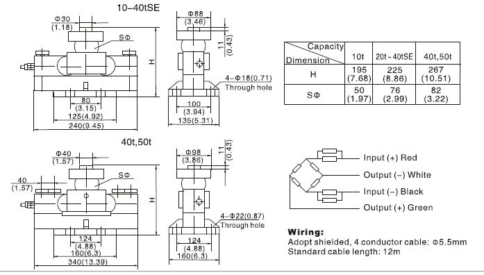
Loadcell Zemic HM9B
Đang xem

Zemic
Loadcell Zemic HM9B
Ngoại quan trang nhã
Làm bằng vật liệu gang đúc
Bàn cân làm bằng inox
Màn hình LCD lớn
Đèn nền sáng dễ đọc
Sản phẩm tương tự
Thông số kỹ thuật
Hình ảnh thực tế



